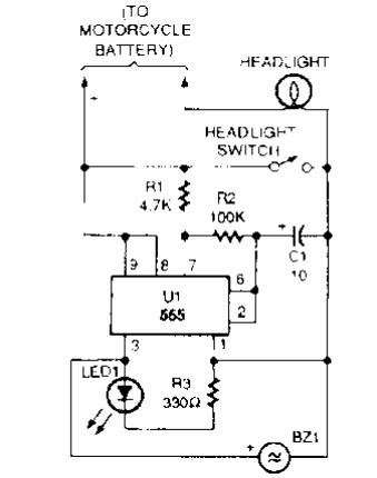
Este circuito advierte cuando la bombilla del faro está encendida. Lo encontramos en una Popular Electronics de los años 80. El circuito utiliza un zumbador de 12 V con oscilador.

Indicador de faro 555
Este circuito advierte cuando la bombilla del faro está encendida. Lo encontramos en una Popular Electronics de los años 80. El circuito utiliza un zumbador de 12 V con oscilador.
