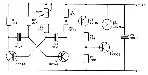
Este circuito puede usarse en el automóvil, en señalización, con lámparas de buena potencia. EI transistor Q4 debe montarse con disipador de calor. P1 permite el ajuste de la frecuencia, cuya banda está determinada por C1 y C2.

Este circuito puede usarse en el automóvil, en señalización, con lámparas de buena potencia. EI transistor Q4 debe montarse con disipador de calor. P1 permite el ajuste de la frecuencia, cuya banda está determinada por C1 y C2.
