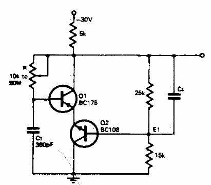
Este oscilador simple con dos transistores de propósito general tiene su frecuencia dada por el capacitor C1 que puede tener valores de 100 pF C4 tiene valores entre 10 y 100 nF.

Oscilador de 100 Hz a 400 kHz
Este oscilador simple con dos transistores de propósito general tiene su frecuencia dada por el capacitor C1 que puede tener valores de 100 pF C4 tiene valores entre 10 y 100 nF.
