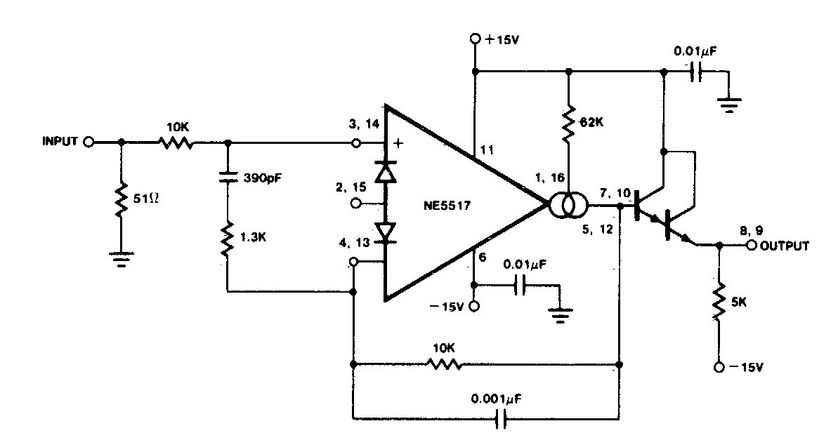
Encontrado en una documentación de la década de 1980, este circuito utiliza un amplificador operacional de esa época. Los transistores también son de la época, y ahora se pueden usar equivalentes de propósito general.

 

Seguidor de tensión
Seguidor de tensión | Haga click en la imagen para ampliar |