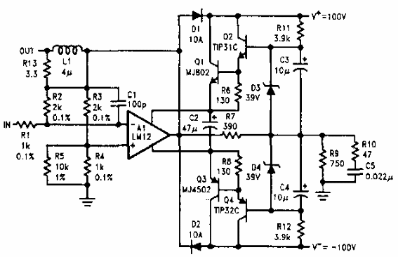
Basado en los amplificadores operacionales de potencia de Nafional semiconductor, poco común hoy en día, este circuito proporciona una alta capacidad de corriente en su salida de una fuente de alimentación de 100 V.

Amplificador 90V x 10 A
Basado en los amplificadores operacionales de potencia de Nafional semiconductor, poco común hoy en día, este circuito proporciona una alta capacidad de corriente en su salida de una fuente de alimentación de 100 V.
