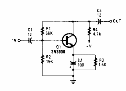
Este circuito es de una Popular Electronics de los años 90. Aparece en otra parte de este sitio. Q1 puede ser cualquier transistor de propósito general.

Etapa de preamplificación
Este circuito es de una Popular Electronics de los años 90. Aparece en otra parte de este sitio. Q1 puede ser cualquier transistor de propósito general.
