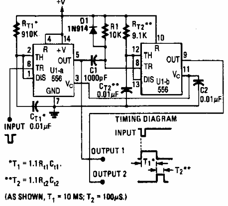
Encontramos este circuito en una Hands On Electronics de los años 90. El retraso viene dado por las fórmulas al lado del diagrama.

Generador de pulso con retraso 555
Encontramos este circuito en una Hands On Electronics de los años 90. El retraso viene dado por las fórmulas al lado del diagrama.
