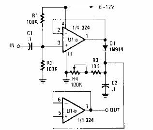
Este extensor de pulso positivo o camilla se encontró en una electrónica popular de los años 90. El circuito puede funcionar con tensiones de 6 a 12 V aumentando el pulso 50 veces.

Estirador de pulso
Este extensor de pulso positivo o camilla se encontró en una electrónica popular de los años 90. El circuito puede funcionar con tensiones de 6 a 12 V aumentando el pulso 50 veces.
