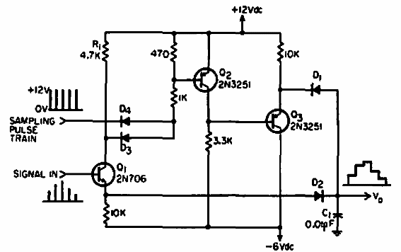
Este circuito se encontró en una EEE de 1966. Los transistores admiten equivalentes modernos y las formas de onda se dan al lado del diagrama.

Muestreo de pulso
Este circuito se encontró en una EEE de 1966. Los transistores admiten equivalentes modernos y las formas de onda se dan al lado del diagrama.
