Este circuito se obtuvo de Elektor Electronics de los años 90. La corriente de salida de cada sector es de 1 A. El transformador tiene devanados de 12 V o 15 V y una corriente de 2 A.

Fuente doble con puente rectificador
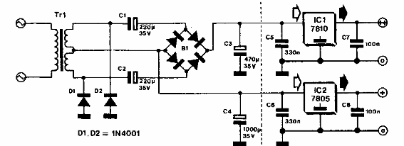
Este circuito se obtuvo de Elektor Electronics de los años 90. La corriente de salida de cada sector es de 1 A. El transformador tiene devanados de 12 V o 15 V y una corriente de 2 A.
