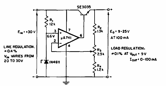
Este pequeño regulador de tensión se encontró en una EEE de 1969. Se pueden usar transistores más potentes para obtener una corriente de salida más alta.

Regulador de 9 a 25 V con 100 mA
Este pequeño regulador de tensión se encontró en una EEE de 1969. Se pueden usar transistores más potentes para obtener una corriente de salida más alta.
