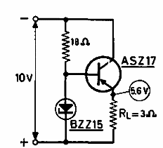
Este simple circuito regulador de 5.6 V se encontró en la documentación de Philips de 1966. El zener se puede cambiar para obtener otras tensiones.

Regulador simple de 5 V
Este simple circuito regulador de 5.6 V se encontró en la documentación de Philips de 1966. El zener se puede cambiar para obtener otras tensiones.
