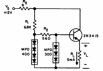
Encontramos este circuito en una documentación de General Electric de 1966. El circuito utiliza diodos en gabinetes únicos de GE, disponibles en ese momento.

Regulador doble de 12 V
Encontramos este circuito en una documentación de General Electric de 1966. El circuito utiliza diodos en gabinetes únicos de GE, disponibles en ese momento.
