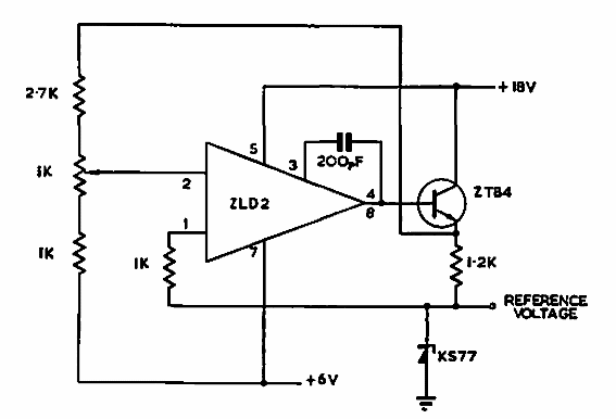
Encontrado en una documentación de Ferranti de 1967, este regulador utiliza un amplificador operacional de la época. La corriente de salida es de solo 5 mA.

Fuente de tensión de referencia
Encontrado en una documentación de Ferranti de 1967, este regulador utiliza un amplificador operacional de la época. La corriente de salida es de solo 5 mA.
