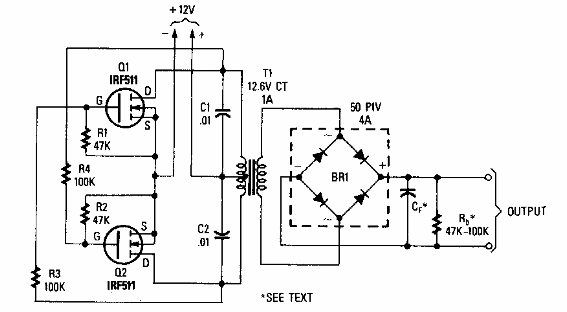
La tensión de salida de este inversor depende del transformador utilizado. El circuito es de una Popular Electronics de los años 90. El circuito se aplica a cualquier pequeño transformador CT de 12 V con hasta 1 A y primario de 110, 220 o 240 V.

Inversor de 12 V



