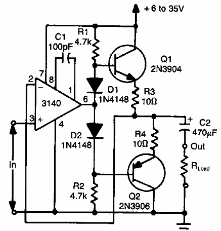
Encontrado en una Radio Electronics de los años 90, este circuito puede drenar o suministrar corrientes de hasta 50 mA con los transistores indicados. Se pueden usar otros operacionales.

Amplificador operacional bidireccional
Encontrado en una Radio Electronics de los años 90, este circuito puede drenar o suministrar corrientes de hasta 50 mA con los transistores indicados. Se pueden usar otros operacionales.
