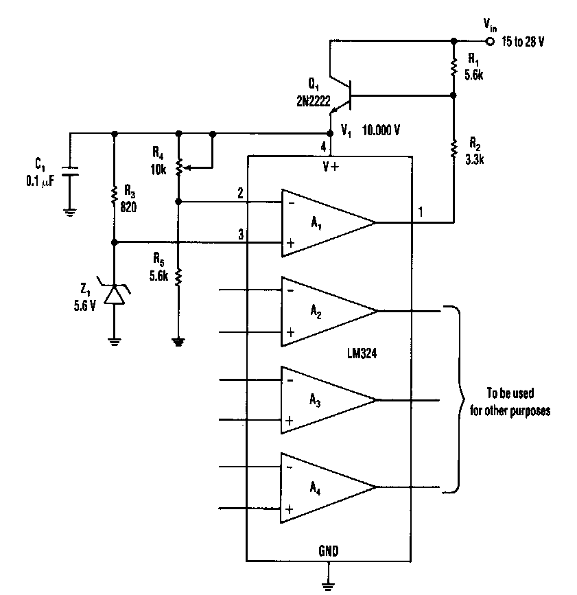
Encontramos este circuito en una Electronic Design de los años 90. El circuito se basa en un amplificador operacional cuádruple, donde una de las secciones se usa como regulador de tensión.

 

Regulador de tensión con operacional
Regulador de tensión con operacional | Haga click en la imagen para ampliar |