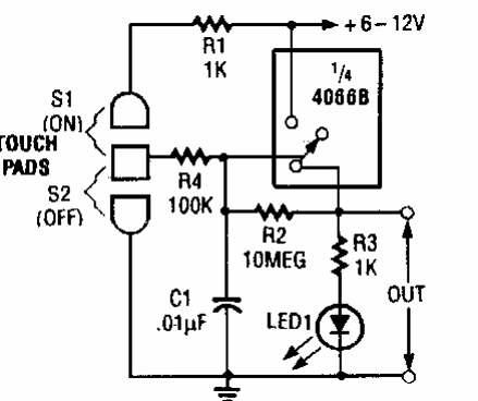
Este circuito se encontró en Radio Electronics desde los años 90. La carga es un LED, pero el circuito se puede modificar para controlar otros tipos de carga.

Llave de toque con cerradura 4066
Este circuito se encontró en Radio Electronics desde los años 90. La carga es un LED, pero el circuito se puede modificar para controlar otros tipos de carga.
