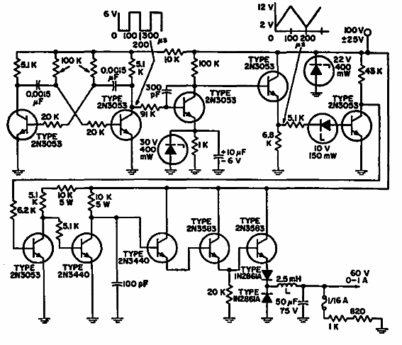
Encontrado en la documentación RCA de la década de 1960, este regulador de 60 V tiene una entrada de 100 V y una corriente de 1 A. Los transistores son de esa época. Uno puede tratar de usar equivalentes modernos.

Regulador escalonado conmutado
Encontrado en la documentación RCA de la década de 1960, este regulador de 60 V tiene una entrada de 100 V y una corriente de 1 A. Los transistores son de esa época. Uno puede tratar de usar equivalentes modernos.
