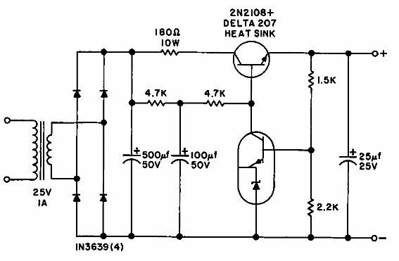
Esta pequeña fuente regulada se encontró en una documentación de General Electric de 1963. El transistor de diodo zener especial se puede reemplazar con una configuración discreta equivalente.

Fuente de alimentación de 12 V x 200 mA
Esta pequeña fuente regulada se encontró en una documentación de General Electric de 1963. El transistor de diodo zener especial se puede reemplazar con una configuración discreta equivalente.
