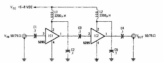
Encontrado en un R-E Experimenter Handbook de los años 90, este circuito tiene una mayor ganancia que el anterior para presentar dos etapas. El circuito integrado utilizado es poco común hoy en día.

Amplificador de banda ancha 2
Encontrado en un R-E Experimenter Handbook de los años 90, este circuito tiene una mayor ganancia que el anterior para presentar dos etapas. El circuito integrado utilizado es poco común hoy en día.
