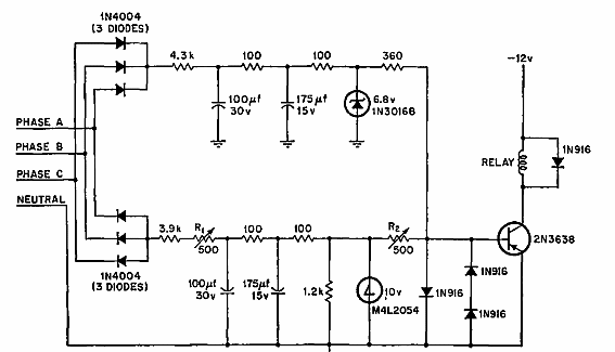
Indicado para la protección de sistemas trifásicos, este circuito se encontró en una documentación estadounidense de los años 70. El circuito se puede implementar con componentes modernos.

Protección de falla de fase
Indicado para la protección de sistemas trifásicos, este circuito se encontró en una documentación estadounidense de los años 70. El circuito se puede implementar con componentes modernos.
