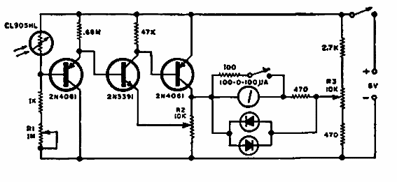
Este circuito es de la época en que se revelaron fotos en cámaras oscuras. Lo encontramos en 1968 Electronics Woirld. El circuito se puede utilizar para otros fines.

Fotómetro de cámara oscura
Este circuito es de la época en que se revelaron fotos en cámaras oscuras. Lo encontramos en 1968 Electronics Woirld. El circuito se puede utilizar para otros fines.
