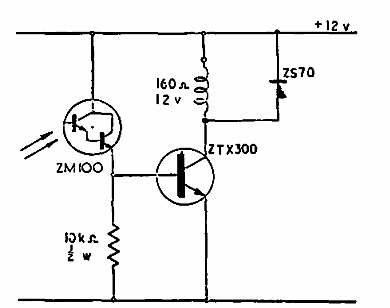
Encontrado en la documentación de Ferranti de 1968, este circuito utiliza un transistor de foto Darlington para accionar un relé de 12 V. El circuito puede implementarse con componentes equivalentes modernos.

Relé fotográfico Darlington
Encontrado en la documentación de Ferranti de 1968, este circuito utiliza un transistor de foto Darlington para accionar un relé de 12 V. El circuito puede implementarse con componentes equivalentes modernos.
