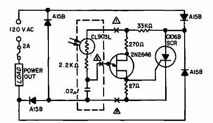
Este circuito es de una documentación de General Electric de 1970. Se puede encontrar con variaciones en este sitio web. Los componentes utilizados son comunes hoy en día.

Foto relé de 2 A
Este circuito es de una documentación de General Electric de 1970. Se puede encontrar con variaciones en este sitio web. Los componentes utilizados son comunes hoy en día.
