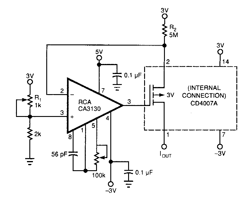
Este circuito ajustable de 0 a 200 nA se encontró en un EDN de los 90. Los componentes todavía se pueden encontrar con relativa facilidad, ya que son CMOS.
Este interesante circuito, que se encuentra en una documentación de 1984, captura estaciones en la...
La fuente de alimentación de este circuito debe ser simétrica de 15 + 15 V y la carga de 4 ó 8...
Este circuito fue encontrado en una Radio Electronics Constructor, revista inglesa de junio de...