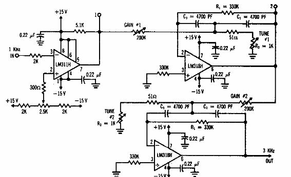
Este circuito se encontró en una Electronic Design de los años 90. Los circuitos integrados son de esa época. La multiplicación de frecuencia se puede hacer para enteros impares.

Multiplicador de baja frecuencia
Este circuito se encontró en una Electronic Design de los años 90. Los circuitos integrados son de esa época. La multiplicación de frecuencia se puede hacer para enteros impares.
