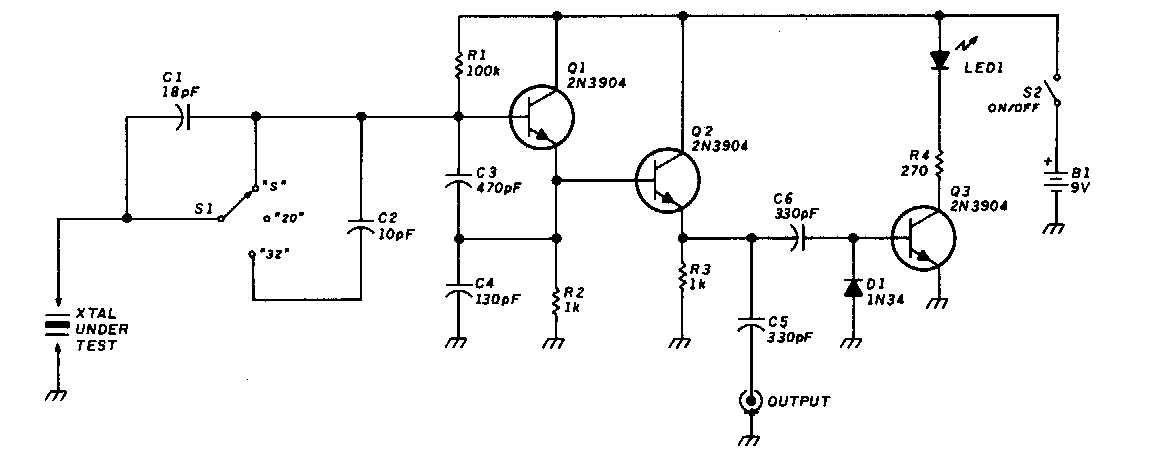
Este probador de cristal fue encontrado en una Ham Radio de los 90. Los transistores se usan comúnmente. El circuito es para probar cristales de 2 a 20 MHz.
Similar a otros circuitos encontrados en esta sección, este circuito es de una 1996 Electronics...
Este circuito de los 80 se puede usar en la recuperación de medias. El circuito integrado es de la época,...
Este circuito fue obtenido en una publicación de 1973. El circuito utiliza dos amplificadores...