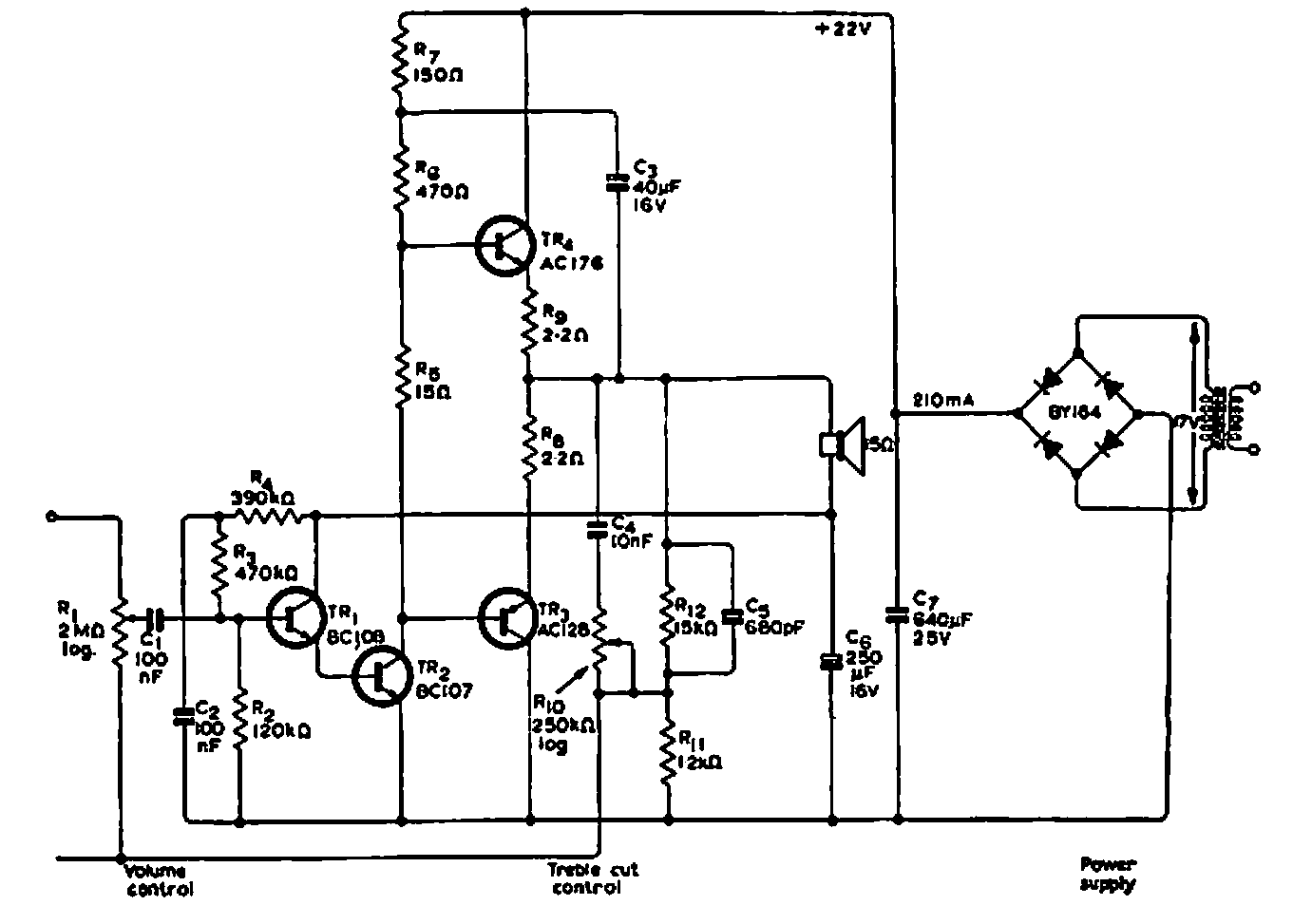
Este circuito se obtuvo en un manual Mullard de 1969. Los transistores son de esa época. La sensibilidad de entrada es de 300 mV.
En este circuito, una carga se alimenta solo cuando la tensión alcanza un cierto valor. Se pueden...
El circuito integrado LM387, utilizado en este proyecto, no es muy simple de obtener. El circuito,...
Este circuito simula una sirena de baja intensidad, pudiendo ser alimentado con tensiones de 5 a...