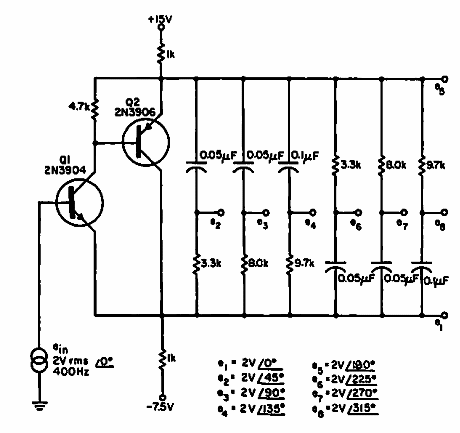
Encontrado en una Electronic Design de 1967, este circuito cambia la fase de una señal de 8 maneras diferentes, dadas por las fórmulas al lado del diagrama. Se pueden usar transistores de propósito general equivalentes.

Desplazador de fase de 8 salidas



