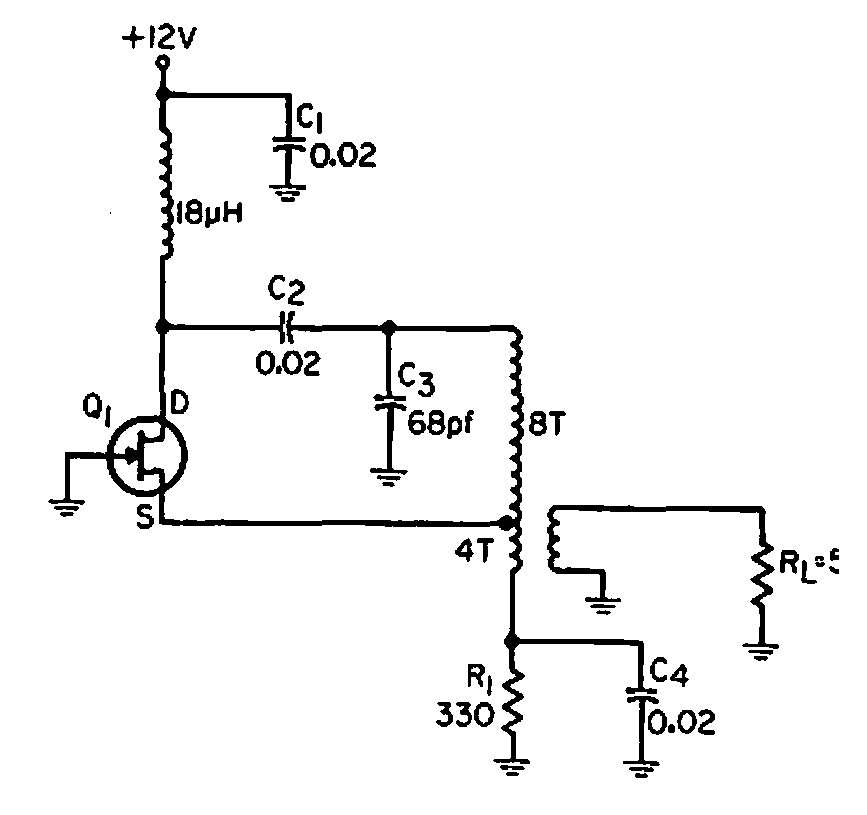
Encontrado en un EEE de 1967, este circuito oscila a 20 MHz de acuerdo con los valores de los componentes utilizados. El FET puede ser de propósito general. La bobina solo ha indicado el número de vueltas.

 

Oscilador de 20 MHz
Oscilador de 20 MHz | Haga click en la imagen para ampliar |