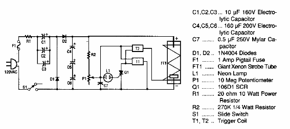
Este circuito es de un PE Hobbyst Handbook de 1991. El circuito utiliza dos transformadores de disparo para una lámpara de xenón. El elemento disparador es una lámpara de neón que controla un SCR.

Luz estroboscópica de xenón
Este circuito es de un PE Hobbyst Handbook de 1991. El circuito utiliza dos transformadores de disparo para una lámpara de xenón. El elemento disparador es una lámpara de neón que controla un SCR.
