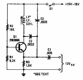
Encontrado en una Popular Electronics de los años 90, este circuito es adecuado para probar y sintonizar una radio AM de la época. El transistor es para uso general.

Oscilador de 455 kHz
Encontrado en una Popular Electronics de los años 90, este circuito es adecuado para probar y sintonizar una radio AM de la época. El transistor es para uso general.
