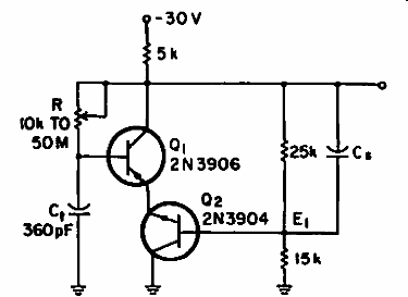
Encontrado en una EEE de 1970, este circuito genera señales que dependen del capacitor C1. Los transistores son de uso general.

Oscilador de relajación con transistores
Encontrado en una EEE de 1970, este circuito genera señales que dependen del capacitor C1. Los transistores son de uso general.
