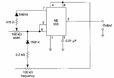
Sugerido por la documentación estadounidense de los años 90, este circuito tiene controles separados para la frecuencia y el ancho de los pulsos producidos. La alimentación de 3 a 12 V se realiza mediante los pines 4 y 8, que no aparecen en el diagrama original.

Astable 555 con control de ciclo activo



