Este circuito tiene una configuración que se puede encontrar en otras partes de este sitio. La alimentación, en verdad, puede estar entre 5 y 12 V.

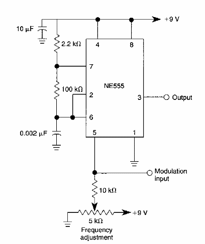
Modulador de 455 kHz con el 555
Este circuito tiene una configuración que se puede encontrar en otras partes de este sitio. La alimentación, en verdad, puede estar entre 5 y 12 V.
