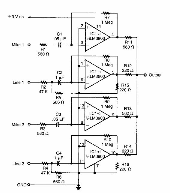
Encontrado en una Electronics Now desde los años 90, este mezclador tiene varias entradas. El circuito integrado todavía se puede encontrar fácilmente y la fuente de alimentación no necesita ser simétrica.

Mezclador de audio
Encontrado en una Electronics Now desde los años 90, este mezclador tiene varias entradas. El circuito integrado todavía se puede encontrar fácilmente y la fuente de alimentación no necesita ser simétrica.
