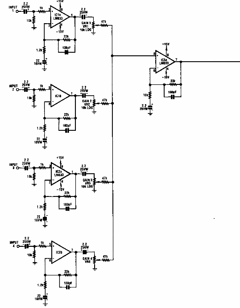
Este mezclador se encontró en una documentación de Silicon Chip de los años 90. El circuito utiliza circuitos integrados de esa época.

Mezclador de bajo ruido
Este mezclador se encontró en una documentación de Silicon Chip de los años 90. El circuito utiliza circuitos integrados de esa época.
