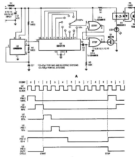
Este circuito secuencial con un acoplador óptico se encontró en una Popular Electronics de los años 90 para activar el sistema de escape de un horno y encenderlo regularmente. El circuito se puede modificar para otras aplicaciones.

Control de horno
Este circuito secuencial con un acoplador óptico se encontró en una Popular Electronics de los años 90 para activar el sistema de escape de un horno y encenderlo regularmente. El circuito se puede modificar para otras aplicaciones.
