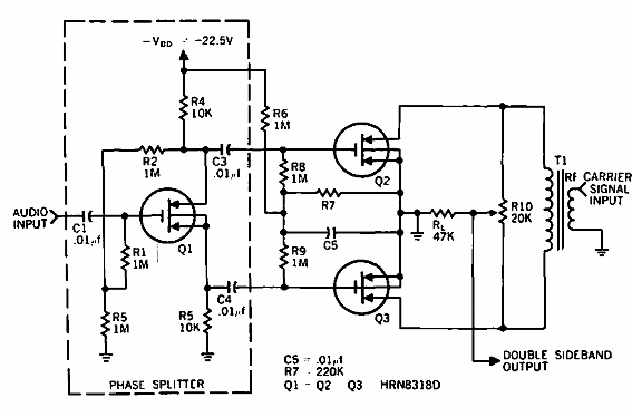
Encontramos este circuito en una publicación de Hughes de 1968. Los componentes son de la época y pueden reemplazarse por equivalentes modernos.

Modulador balanceado
Encontramos este circuito en una publicación de Hughes de 1968. Los componentes son de la época y pueden reemplazarse por equivalentes modernos.
