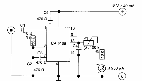
El essímetro o S-meter es un medidor de intensidad de señal utilizado en receptores de comunicación. Este circuito se encontró en una publicación europea de 303 Circuits dos años 90s.

Essímetro para receptores
El essímetro o S-meter es un medidor de intensidad de señal utilizado en receptores de comunicación. Este circuito se encontró en una publicación europea de 303 Circuits dos años 90s.
