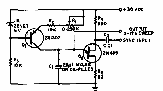
Encontrado en una Electronic Design de 1964, este circuito está destinado a servir como base de tiempo para monitores cardíacos. Los transistores admiten equivalentes.

Circuito de barrido lento
Encontrado en una Electronic Design de 1964, este circuito está destinado a servir como base de tiempo para monitores cardíacos. Los transistores admiten equivalentes.
