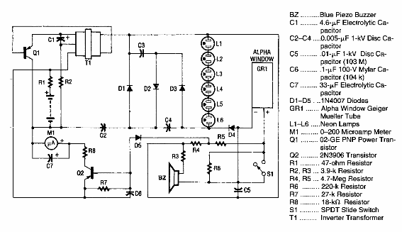
Encontramos este circuito en un PE Hobbyst Handbook de los años 90. Los componentes son comunes, excepto la válvula Geiger. El transformador también es un componente que requiere cuidado al elegir.

Contador Geiger 2
Encontramos este circuito en un PE Hobbyst Handbook de los años 90. Los componentes son comunes, excepto la válvula Geiger. El transformador también es un componente que requiere cuidado al elegir.
