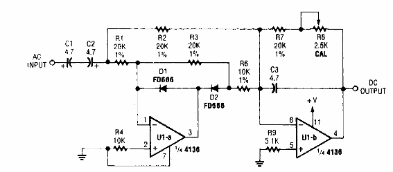
Este circuito se encontró en una Popular Electronics de los años 90. La fuente debe ser simétrica y los amplificadores operacionales pueden ser 741.

Filtro rectificador de onda completa
Este circuito se encontró en una Popular Electronics de los años 90. La fuente debe ser simétrica y los amplificadores operacionales pueden ser 741.
