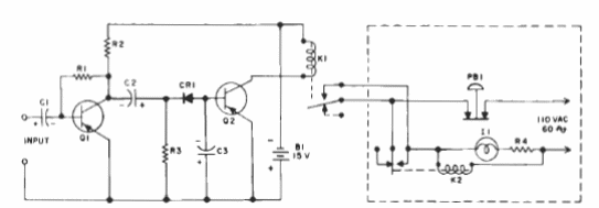
Este controlador de relé o shield se encontró en un manual de transistor Sylvania de 1960. El circuito es para señales de audio que pueden provenir de un receptor de control remoto modulado.

Actuador de relé

Actuador de relé
Este controlador de relé o shield se encontró en un manual de transistor Sylvania de 1960. El circuito es para señales de audio que pueden provenir de un receptor de control remoto modulado.

