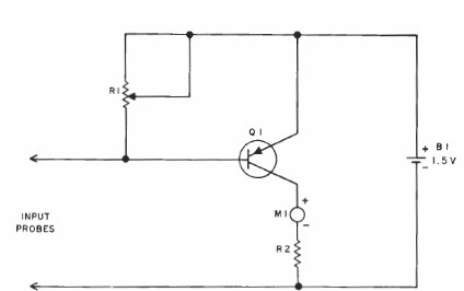
Encontrado en un manual Sylvania de 1960, este circuito puede implementarse con un transistor equivalente moderno como el BC558.

Medidor de impedancia relativa

Medidor de impedancia relativa
Encontrado en un manual Sylvania de 1960, este circuito puede implementarse con un transistor equivalente moderno como el BC558.

