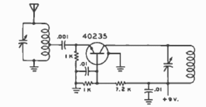
Esta etapa de amplificación se encuentra en varios circuitos en nuestro sitio web. Las bobinas dependen de la frecuencia a amplificar. El transistor puede ser equivalente a RF. Lo encontramos en un Radio Handbook de 1977.

Amplificador de RF de base común



