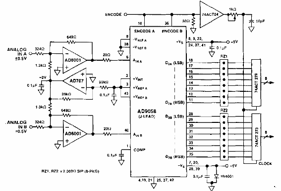
Este circuito se encontró en una documentación de Analog Devices de los años 90. El circuito usa componentes de esa época, que no son comunes hoy en día. Sirve como referencia.

Convertidor analógico a digital AD9056
Este circuito se encontró en una documentación de Analog Devices de los años 90. El circuito usa componentes de esa época, que no son comunes hoy en día. Sirve como referencia.
