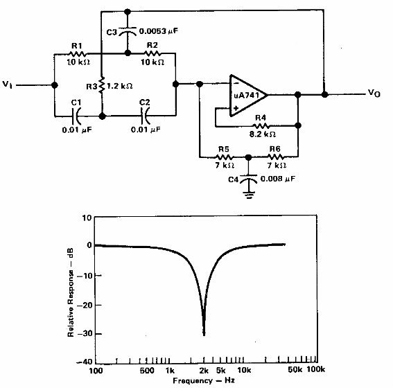
Este filtro se encontró en la documentación de Texas Instruments de la década de 1980. El circuito utiliza un amplificador operacional común y tiene su curva de respuesta en la figura.

Filtro activo de rechazo de banda
Este filtro se encontró en la documentación de Texas Instruments de la década de 1980. El circuito utiliza un amplificador operacional común y tiene su curva de respuesta en la figura.
