Este filtro se encontró en la documentación de Exar de la década de 1980. El circuito tiene una atenuación de 60 dB a la frecuencia seleccionada. La fuente de alimentación debe ser simétrica.

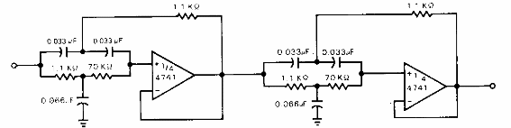
Filtro de rechazo de 550 Hz
Este filtro se encontró en la documentación de Exar de la década de 1980. El circuito tiene una atenuación de 60 dB a la frecuencia seleccionada. La fuente de alimentación debe ser simétrica.
